Cours 132 : Présentation générale des treuils hydrauliques – Partie 1/2
Les treuils hydrauliques sont utilisés dans une large variété d’environnements industriels et mobiles.
On les retrouve notamment dans :
- Le BTP : grues, plateformes élévatrices, engins de levage.
- Le maritime : manœuvre de lignes de pêche, pose de câbles sous-marins, ancrage et maintien de navires.
- L’offshore : manutention de charges lourdes, équipements pétroliers, levage sur plateformes.
- L’industrie : portiques de manutention, systèmes de convoyage, machines automatisées.
- Le secteur forestier : treuillage pour débardage, extraction de billes de bois.
Un treuil assure généralement quatre fonctions essentielles :
- Positionner une charge (maintien statique).
- Lever une charge (enroulement). (Cf. Partie 2)
- Descendre une charge de manière contrôlée. (Cf. Partie 2)
- Passer en roue libre (libération du tambour). (Cf. Partie 2)
Architecture mécanique
Un treuil hydraulique est composé de plusieurs sous-ensembles mécaniques :
- Tambour : support d’enroulement du câble.
- Motorisation hydraulique : moteur entraînant directement l’arbre du tambour.
- Frein négatif : empêche la rotation lorsque le circuit n’est plus alimenté.
- Réducteurs ou multiplicateurs éventuels.
- Systèmes de guidage de câble : galets, guide-câbles, vis sans fin.
Treuil hydraulique de la marque Warrior Winches.
Le moteur hydraulique entraîne directement le tambour. À l’arrêt, le frein négatif vient bloquer l’arbre.
À noter :
La vitesse linéaire de la charge varie automatiquement selon le diamètre d’enroulement effectif autour du tambour. Un tambour plus rempli → diamètre plus grand → vitesse linéaire plus élevée pour une même vitesse angulaire.
Les systèmes de guidage permettent de répartir le câble en couches régulières, afin d’éviter :
- L’usure prématurée,
- Les enchevêtrements,
- L’écrasement des spires internes.
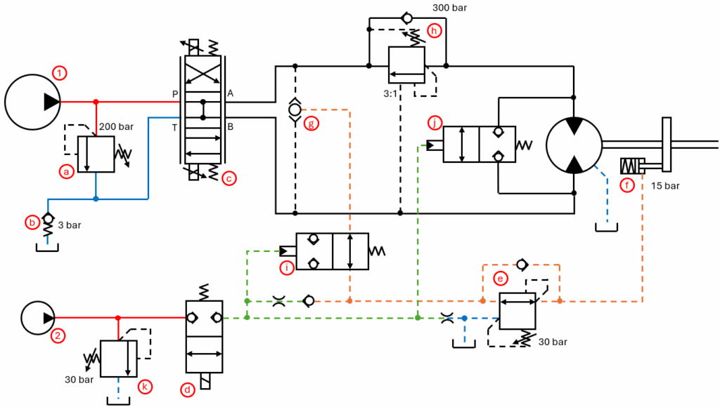
Circuit hydraulique
Voici un concept d’architecture hydraulique en circuit ouvert, intégrant l’ensemble des fonctions de commande et de sécurité du treuil. Il est nécessaire d’adapter le circuit suivant les fonctions souhaitées. (La partie alimentation et retour est volontairement simplifiée).
Schéma d’un circuit hydraulique de treuil.
Positionnement / maintien de charge
Objectif : immobiliser le tambour à une position donnée.
Le distributeur (c) est placé en position centrale, de type centre en H.
- Les fuites internes du moteur empêchent un verrouillage mécanique : un frein négatif (f) est
donc indispensable. - Le frein se déverrouille uniquement lorsque la pression de pilotage dépasse un seuil (≈ 15 bar
typiquement). - Un réducteur de pression (e) protège le piston de frein en limitant la pression (ex : 30 bar).
Lors de l’arrêt, le distributeur relâche la ligne de frein : le frein se verrouille automatiquement pour sécuriser la charge.
Dans la prochaine newsletter, nous détaillerons les fonctions de levage, abaissement de la charge et de roue libre.

